Latest News
3 February 2025
What Does 144-Position Flex Mean Why It Matters in Tools
3 February 2025
Radiocarbon Dating: News Articles and PDF Resources
2 February 2025
Dream Meaning of A Caterpillar
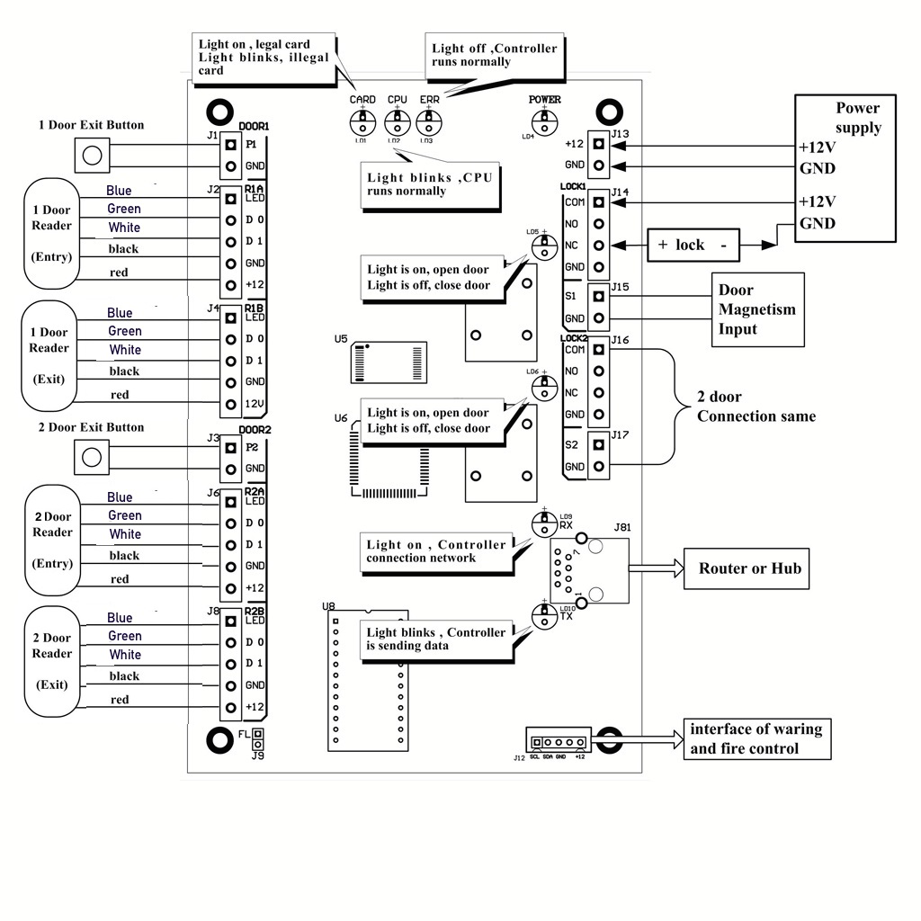
2 February 2025
How to Wire a Door Access Control System Detailed Diagram
2 February 2025
Sedona to Phoenix: Best Scenic Stops Along the Way
2 February 2025
What is the Quality of Metabo Tools Pros and Cons
2 February 2025

















